
| ○ | 堅固,緊湊的外殼 | ○ | 大間距的雙軸承 | |||
| ○ | 軸承負載高達 400N | ○ | 高工作速度 10000rpm | |||
| ○ | 端子盒,M23連接器,電纜等可選 | |||||
| ○ |
供電: 9…30VDC 5VDC ±5% |
○ | 空載電流:≤ 100mA | |||
| ○ | 分辨率(脈沖數/轉):1000…10000 | ○ | 移相:90°±15° | |||
| ○ | 掃描比:45…55% | ○ | 參考信號:零脈沖,寬度 90° | |||
| ○ | 檢測方式:光學 | ○ | 輸出頻率:≤200 kHz | |||
| ○ | 輸出信號:A、B、Z ,+ 取反 | ○ |
輸出電路:推拉 TTL / RS422 |
|||
| ○ | 軸絕緣:2.8KV | ○ | 傳輸距離:≤400m at 100kHz | |||
| ○ | 抗干擾:EN 61000-6-2 | ○ | 發射干擾:EN 61000-6-3 | |||
| ○ | 認證:CE | |||||
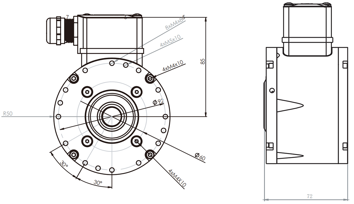
| ○ | 尺寸(法蘭):ø100mm | ○ |
軸類型: φ12…16mm(盲孔軸) φ17mm(錐形軸1:10) |
|||
| ○ |
軸負載: ≤300N 軸向 ≤400 N 徑向 |
○ | 電機軸公差:0.2 mm徑向 | |||
| ○ | 防護等級DIN EN 60529 :IP66 | ○ | 運行轉速:≤10000 rpm | |||
| ○ | 運行轉矩:≤6Ncm | ○ | 轉子轉動慣量:160 gcm² | |||
| ○ |
材料: 外殼:鍍鋁 軸:不銹鋼 |
○ |
工作溫度: -40...+100 °C -40...+90 °C |
|||
| ○ |
連接: 端子盒 法蘭連接器 M23, 12-pin 電纜 1 m |
○ | 重量約:1.1 kg | |||

![]() |
![]() |